不銹鋼差壓錶 雙膜片式

差壓錶174
型號 : 174

以下請選擇您要詢問的產品規格:

*安裝型式:  
*錶徑:  
*接續口(公螺紋):  
*壓力範圍&單位:   
選項:  

錶面直徑

Ø4 (100mm)Ø6(150mm)

安裝型式

後背板安裝;管道固定支架安裝

刻劃範圍

0/ 0.04 … 0/16 bar (kg/cm2) 壓力單位bar, kg/cm2, psi, MPa, kPa…等等皆可訂製

接續螺牙

公牙1/2NPTG1/2M20x1.5

錶殼

防護等級IP65IP66 不銹鋼SS316L(標準)  不銹鋼SS304(選項)

鏡面

安全玻璃

接液材質

不銹鋼SS316L  (膜片噴塑 >250kPa)

機芯零件

不銹鋼SS304

指針

鋁合金,黑色,可零調

刻度盤

鋁合金,白底黑字

密封墊圈

氟橡膠

填充液

無;甘油;矽油

精度

滿刻度的±1.6%±2.5%

最大靜壓

雙側100250400 bar (kg/cm2)   可選單側max.100 bar (kg/cm2)

操作溫度

介質: -40 ~ +100  環境: -40 ~ +70

選項附件

平衡閥:三閥組 或 五閥組

  管:量程≧0.16bar, 導管≦5M ; 量程≦0.1bar, 導管≦2M

隔膜式:導管(5M)+牙口型隔膜(DS190系列) 精度±4%F.S.

導管(5M)+法蘭型隔膜(DS200DS300系列) 精度±4%F.S.

電接點:乾接點N.O.常開 ; 乾接點N.C.常閉

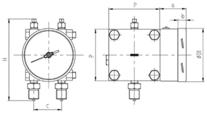
174-size.png

尺寸

錶徑

ØD1

H

P

a

b

C

Ø4”

101

170

100 (10kPa)

140 (4~6kPa)

54

17

54

Ø6”

150

170

53.5

18

54

用於測量非黏度、不易結晶、不侵蝕不銹鋼的氣體或液體介質的差壓。適用在有較高的差壓或工作壓力(靜壓)的場所,可用於監測和控制泵、過濾器等;也可用於密封桶槽的液位量測。