不銹鋼差壓錶 活塞結構 微動開關或4-20mA傳送器

不銹鋼差壓錶 附SPDT微動開關或4-20mA傳送器
型號 : 172S

以下請選擇您要詢問的產品規格:

*差壓量程:  
*接點/輸出:  
*電氣接口:  

錶面直徑

Ø 4”(100mm)

錶殼

密閉防水IP66壓鑄鋁合金烤藍色漆

接續口

左右二端1/4"NPT母牙 (其他尺寸須使用轉接頭)

接液部

不銹鋼SS316

精度

±2%F.S. (升壓狀態下)

靜壓

200kg/cm2以下 (左右高低壓端同時有壓力進入的狀況下)

操作溫度

80℃以內

接點開關

一組SPDT微動開關
5A/125VAC, 5A/250VAC, 2A/30VDC, Dead Band±12%

輸出訊號

4-20mA類比, 二線式, 電源供應DC24V

電氣接口

1/2"NPT母牙(標準) ; 3/4"NPT母牙(選項)



差 壓 量 程

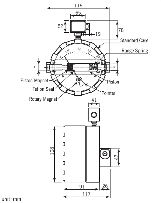
尺 寸 圖
172s_size.jpg

172S 主要結構由彈簧,活塞與磁鐵所組成,指針指示左右二側高低壓力源之壓差值,適用於無結晶性、無黏稠性、不侵蝕不銹鋼之氣體及液體,不銹鋼錶殼密閉防水,可安裝於戶外。裝置微動開關作壓力控制或類比訊號4-20mA輸出作遠端監測。

相關產品