|
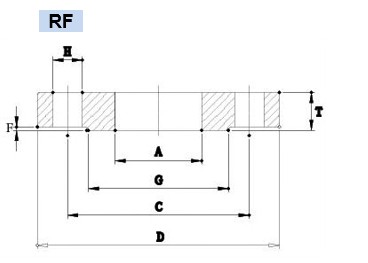
JIS 5 kg/cm2 Flange
|
|
公稱尺寸
|
A
|
D
|
T
|
F
|
G
|
C
|
H
|
Bolt
|
|
Inch
|
mm
|
mm
|
mm
|
mm
|
mm
|
mm
|
mm
|
mm
|
Number of holes
|
Dia. Bolt
|
|
3/8
|
10
|
18
|
75
|
9
|
1
|
42
|
55
|
12
|
4
|
3/8
|
|
1/2
|
15
|
22.5
|
80
|
9
|
1
|
48
|
60
|
12
|
4
|
3/8
|
|
3/4
|
20
|
28
|
85
|
10
|
1
|
52
|
65
|
12
|
4
|
3/8
|
|
1
|
25
|
34.5
|
95
|
10
|
1
|
62
|
75
|
12
|
4
|
3/8
|
|
1-1/4
|
32
|
43.5
|
115
|
12
|
2
|
72
|
90
|
15
|
4
|
1/2
|
|
1-1/2
|
40
|
50
|
120
|
12
|
2
|
78
|
95
|
15
|
4
|
1/2
|
|
2
|
50
|
61.5
|
130
|
14
|
2
|
88
|
105
|
15
|
4
|
1/2
|
|
2-1/2
|
65
|
77.5
|
155
|
14
|
2
|
112
|
130
|
15
|
4
|
1/2
|
|
|
|
|
JIS 10 kg/cm2 Flange
|
|
公稱尺寸
|
A
|
D
|
T
|
F
|
G
|
C
|
H
|
Bolt
|
|
Inch
|
mm
|
mm
|
mm
|
mm
|
mm
|
mm
|
mm
|
mm
|
Number of holes
|
Dia. Bolt
|
|
3/8
|
10
|
18
|
90
|
12
|
1
|
48
|
65
|
15
|
4
|
1/2
|
|
1/2
|
15
|
22.5
|
95
|
12
|
1
|
52
|
70
|
15
|
4
|
1/2
|
|
3/4
|
20
|
28
|
100
|
14
|
1
|
58
|
75
|
15
|
4
|
1/2
|
|
1
|
25
|
34.5
|
125
|
14
|
1
|
70
|
90
|
19
|
4
|
5/8
|
|
1-1/4
|
32
|
43.5
|
135
|
16
|
2
|
80
|
100
|
19
|
4
|
5/8
|
|
1-1/2
|
40
|
50
|
140
|
16
|
2
|
85
|
105
|
19
|
4
|
5/8
|
|
2
|
50
|
61.5
|
155
|
16
|
2
|
100
|
120
|
19
|
4
|
5/8
|
|
2-1/2
|
65
|
77.5
|
175
|
18
|
2
|
120
|
140
|
19
|
4
|
5/8
|
|
|
|
|
JIS 16 kg/cm2 Flange
|
|
公稱尺寸
|
A
|
D
|
T
|
F
|
G
|
C
|
H
|
Bolt
|
|
Inch
|
mm
|
mm
|
mm
|
mm
|
mm
|
mm
|
mm
|
mm
|
Number of holes
|
Dia. Bolt
|
|
3/8
|
10
|
18
|
90
|
12
|
1
|
48
|
65
|
15
|
4
|
1/2
|
|
1/2
|
15
|
22.5
|
95
|
12
|
1
|
52
|
70
|
15
|
4
|
1/2
|
|
3/4
|
20
|
28
|
100
|
14
|
1
|
58
|
75
|
15
|
4
|
1/2
|
|
1
|
25
|
34.5
|
125
|
14
|
1
|
70
|
90
|
19
|
4
|
5/8
|
|
1-1/4
|
32
|
43.5
|
135
|
16
|
2
|
80
|
100
|
19
|
4
|
5/8
|
|
1-1/2
|
40
|
50
|
140
|
16
|
2
|
85
|
105
|
19
|
4
|
5/8
|
|
2
|
50
|
61.5
|
155
|
16
|
2
|
100
|
120
|
19
|
8
|
5/8
|
|
2-1/2
|
65
|
77.5
|
175
|
18
|
2
|
120
|
140
|
19
|
8
|
5/8
|
|
|
|
|
JIS 20 kg/cm2 Flange
|
|
公稱尺寸
|
A
|
D
|
T
|
F
|
G
|
C
|
H
|
Bolt
|
|
Inch
|
mm
|
mm
|
mm
|
mm
|
mm
|
mm
|
mm
|
mm
|
Number of holes
|
Dia. Bolt
|
|
3/8
|
10
|
18
|
90
|
14
|
1
|
48
|
65
|
15
|
4
|
1/2
|
|
1/2
|
15
|
22.5
|
95
|
14
|
1
|
52
|
70
|
15
|
4
|
1/2
|
|
3/4
|
20
|
28
|
100
|
16
|
1
|
58
|
75
|
15
|
4
|
1/2
|
|
1
|
25
|
34.5
|
125
|
16
|
1
|
70
|
90
|
19
|
4
|
5/8
|
|
1-1/4
|
32
|
43.5
|
135
|
18
|
2
|
80
|
100
|
19
|
4
|
5/8
|
|
1-1/2
|
40
|
50
|
140
|
18
|
2
|
85
|
105
|
19
|
4
|
5/8
|
|
2
|
50
|
61.5
|
155
|
18
|
2
|
100
|
120
|
19
|
8
|
5/8
|
|
2-1/2
|
65
|
77.5
|
175
|
20
|
2
|
120
|
140
|
19
|
8
|
5/8
|
|
|
|
|
ANSI 150 LB Flange
|
|
公稱尺寸
|
A
|
D
|
T
|
F
|
G
|
C
|
H
|
Bolt
|
|
Inch
|
mm
|
mm
|
mm
|
mm
|
mm
|
mm
|
mm
|
mm
|
Number of holes
|
Dia. Bolt
|
|
1/2
|
15
|
21
|
89
|
11.2
|
1.6
|
35
|
60
|
16
|
4
|
1/2
|
|
3/4
|
20
|
27
|
98
|
12.7
|
1.6
|
43
|
70
|
16
|
4
|
1/2
|
|
1
|
25
|
34
|
108
|
14.3
|
1.6
|
51
|
79
|
16
|
4
|
1/2
|
|
1-1/4
|
32
|
42
|
118
|
15.9
|
1.6
|
64
|
89
|
16
|
4
|
1/2
|
|
1-1/2
|
40
|
50
|
127
|
17.5
|
1.6
|
73
|
98
|
16
|
4
|
1/2
|
|
2
|
50
|
61.5
|
152
|
19.1
|
1.6
|
92
|
121
|
19
|
4
|
5/8
|
|
2-1/2
|
65
|
77.5
|
178
|
22.2
|
1.6
|
105
|
140
|
19
|
4
|
5/8
|
|
|
|
|
ANSI 300 LB Flange
|
|
公稱尺寸
|
A
|
D
|
T
|
F
|
G
|
C
|
H
|
Bolt
|
|
Inch
|
mm
|
mm
|
mm
|
mm
|
mm
|
mm
|
mm
|
mm
|
Number of holes
|
Dia. Bolt
|
|
1/2
|
15
|
21
|
95
|
14.3
|
1.6
|
35
|
67
|
16
|
4
|
1/2
|
|
3/4
|
20
|
27
|
118
|
15.9
|
1.6
|
43
|
83
|
19
|
4
|
5/8
|
|
1
|
25
|
34
|
124
|
17.5
|
1.6
|
51
|
89
|
19
|
4
|
5/8
|
|
1-1/4
|
32
|
42
|
133
|
19.1
|
1.6
|
64
|
98
|
19
|
4
|
5/8
|
|
1-1/2
|
40
|
50
|
156
|
20.6
|
1.6
|
73
|
114
|
22
|
4
|
3/4
|
|
2
|
50
|
61.5
|
165
|
22.2
|
1.6
|
92
|
127
|
19
|
8
|
5/8
|
|
2-1/2
|
65
|
77.5
|
191
|
25.4
|
1.6
|
105
|
149
|
22
|
8
|
3/4
|
|
|
|

|
Flange EN 1092-1, form B1 / DIN 2501, form D
|
|
DN
in
mm
|
PN
in
bar
|
Mb
|
D
|
b
|
d2
|
k
|
f
|
d4
|
Number
of bolts’ holes
|
|
mm
|
mm
|
mm
|
mm
|
mm
|
mm
|
mm
|
|
25
|
10 / 40
|
32
|
115
|
22
|
14
|
85
|
2
|
68
|
4
|
|
63 / 100
|
25
|
140
|
24
|
18
|
100
|
2
|
68
|
4
|
|
40
|
10 / 40
|
45
|
150
|
18
|
18
|
110
|
2
|
88
|
4
|
|
63 / 100
|
45
|
170
|
26
|
22
|
125
|
2
|
88
|
4
|
|
160
|
45
|
170
|
28
|
22
|
125
|
2
|
88
|
4
|
|
250
|
45
|
185
|
34
|
26
|
135
|
2
|
88
|
4
|
|
50
|
10 / 40
|
59
|
165
|
20
|
18
|
125
|
2
|
102
|
4
|
|
63
|
59
|
180
|
26
|
22
|
135
|
2
|
102
|
4
|
|
100
|
59
|
195
|
28
|
26
|
145
|
2
|
102
|
4
|
|
160
|
59
|
195
|
30
|
26
|
145
|
2
|
102
|
4
|
|
250
|
59
|
200
|
38
|
26
|
150
|
2
|
102
|
8
|
|
80
|
10 / 16
|
89
|
200
|
20
|
18
|
160
|
2
|
138
|
8
|
|
25 / 40
|
89
|
200
|
24
|
18
|
160
|
2
|
138
|
8
|
|
63
|
89
|
215
|
28
|
22
|
170
|
2
|
138
|
8
|
|
100
|
89
|
230
|
32
|
26
|
180
|
2
|
138
|
8
|
|
160
|
89
|
230
|
36
|
26
|
180
|
2
|
138
|
8
|
|
250
|
89
|
255
|
46
|
30
|
200
|
2
|
138
|
8
|
|
100
|
10 / 16
|
89
|
220
|
20
|
18
|
180
|
2
|
158
|
8
|
|
25 / 40
|
89
|
235
|
24
|
22
|
190
|
2
|
162
|
8
|
|
63
|
89
|
250
|
30
|
26
|
200
|
2
|
162
|
8
|
|
100
|
89
|
265
|
36
|
30
|
210
|
2
|
162
|
8
|
|
160
|
89
|
265
|
40
|
30
|
210
|
2
|
162
|
8
|
|
250
|
89
|
300
|
54
|
33
|
235
|
2
|
162
|
8
|
|