耐候型不銹鋼微壓開關

型號 : PS2200W

以下請選擇您要詢問的產品規格:

*範圍代號:  
*接液部材質:  
*接續口徑(公牙口):  
*電氣接口:  
*開關型式:  
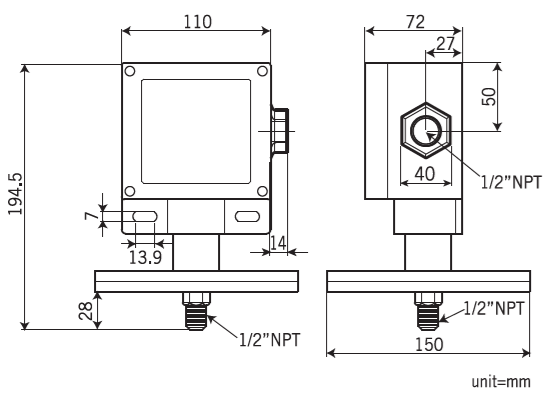
電氣接口: 3/4", 1/2"NPT, M20xP1.5, 1/2"PF母牙
量測元件: 膜片
接液部材質: 不銹鋼 SS316/SS316L
接續口徑: 1/2" 或 1/4" NPT, BSP, PT; M20xP1.5 公牙
開關: 一組 或 二組SPDT微動開關15amps 125/250VAC, DC125V 0.4A, DC 30V 3A
        金接點微動開關 1A 125/250VAC
ps2200w-size.png

PS2200W系列適用於控制系統, 其特色是設定範圍區大, 靜止頻帶小, 多款範圍可選擇, 設定方式簡易, 不需使用特別的工具。
防護等級NEMA 4, 4X, IP66
最大耐壓至: 500 PSI
設定範圍: 0.05 ~ 9.8 PSI
操作溫度: -20 ~ 205℃